

![]() |
||
<Windows対応> |
||
クリープメータでの測定結果をパソコン上で解析するシステムです。従来のペンレコーダに比べ格段に応答速度が速くなりました。急峻な破断やクリスピー感(サクサク感など)の測定に適しています。サンプル厚さ計との併用で厚さ補正、面積補正された曲線での比較が行えますので、サンプルの形状にバラツキがあっても苦になりません。 |
||
解析ソフトウェア(Windows対応)
| クリープ粘弾性解析 Windows Ver.1 | ||
| ・かたさを粘性・弾性としてとらえます。 サンプルに一定の応力を加えた状態での変形を測定し、その後除重してサンプルの回復を測定します。 この変形曲線よりカーブフィッティング手法により粘弾性力学モデル(要素数1~10要素まで自動解析)と粘弾性率を自動解析します。 | ||
クリックすると詳細が表示されます |
「クリープ解析 Ver.2(MSーDOS版)」 をご使用のお客様へ |
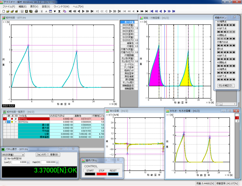
| テクスチャー解析 Windows Ver.2 | ||
| ・食感(触感)をとらえます。 食品の世界では一般的な測定法で、かたさ・もろさ・付着性・凝集性・ガム性およびエネルギーを自動解析します。 この解析法は食品のみならずあらゆる素材の物性解析に応用できます。 ※えん下食品かたさ基準判定機能付 ※Ver.2.0の詳細につきましては 弊社までお問い合せ下さい |
||
| クリックすると詳細が表示されます |
「テクスチャー解析 Ver.2(MSーDOS版)」 をご使用のお客様へ |
| 破断強度解析 Windows Ver.2 | ||
・食感(触感)をさらに物理的にとらえます。 サンプルを一定の速度で圧縮または引張試験し、この時の力(応力)の変化でかたさをとらえ、その後の壊れ方(破断現象)で破断強度解析を行います。食品の他あらゆる素材の物性測定に適しています。 ※Ver.2.0の詳細につきましては 弊社までお問い合せ下さい |
||
クリックすると詳細が表示されます |
「破断強度解析 Ver.2(MSーDOS版)」 をご使用のお客様へ |
| 口溶け食感解析 Windows Ver.1 | ||
![]() |
※対応機種:RE2-3305C/RE2-33005C |
|
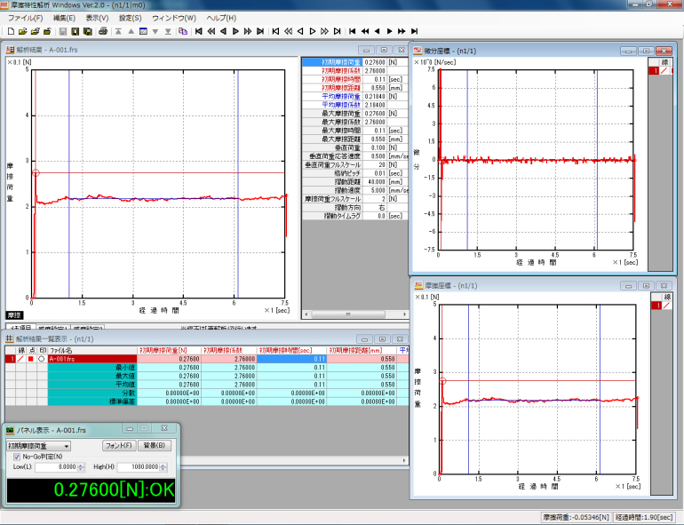
| 摩擦特性解析 Windows Ver.2 | ||
・摩擦特性をとらえます。低荷重の垂直荷重をコントロールしつつ、触感、喉越し、舌触り、ズリなどの測定から、初期摩擦係数・平均摩擦係数などを自動解析します。 ※クリープメータ2軸物性試験システム用
|
||
クリックすると詳細が表示されます |

| ・ | 解析結果・統計結果を表計算ソフトやワープロソフトに簡単に転送(クリップボードまたはファイル経由)することができます。 |
| ・ | 測定波形を画像として、ワープロソフトや表計算ソフトにコピー&ペーストが可能です。 |
| ・ | 波形の生データを表計算ソフトにエクスポートできます。 |
| ・ | Windowsで設定しているプリンタに印刷が可能です。印刷は解析結果・重書波形・微分波形・一覧表などから選択できます。 |
| ・ | 簡易測定モードを選択すると、キーボードのEnterキーを押すだけで測定ができます。 |
| ・ | サンプル厚さ計・サンプル厚さ測定機能改造(オプション)により計測したサンプル厚さを入力することにより、測定波形をサンプル厚さが同じとして重ね書きすることができます。 |
| ・ | コントロールタイプクリープメータ(RE2-3305(S)・RE2-33005(S)・RE2-3305B・RE2-33005B)の解析用としてご使用の場合は、ソフトウェアからクリープメータをコントロールすることが可能です(一部)。 |
| ・ | オンラインヘルプが使用可能です。 |
| ・ | 弊社MS-DOS版ソフトウェア(Ver.2)で測定したデータの読み込みが可能です。 |
| ・ | 解析結果表示、重書座標表示、解析結果一覧表示、パネル表示、微分座標表示(テクスチャー・破断強度)、計算波形座標(クリープ)、フォークトモデル表示(クリープ)、色塗座標(テクスチャー)などの表示画面があります。 |
| ・ | パネル表示で、解析項目の中から自分の見たいデータをひとつ拡大表示することが可能です。 |
| ・ | グラフの座標スケールの変更が可能です。また座標軸の選択が可能で、テクスチャー・破断強度は、縦軸を荷重または応力、横軸を距離または歪率から選べます。クリープは縦軸を変形・歪率・コンプライアンスから選択することができます。 |
| ・ | 波形の描画色や太さを変更することができます。 |
| ・ | 測定データの統計処理が可能で、最小値・最大値・平均値・分散・標準偏差などを計算します。 |
| ・ | 測定データの手動解析・再解析が可能です。 |
| ※摩擦特性解析に関しましては、仕様が上記と異なります。 詳細につきましては弊社までお問い合せ下さい。 |



















